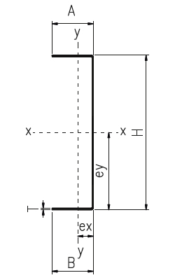
Ürün Bilgisi
U Profiller, genellikle yapısal destek elemanı olarak, makine şaselerinde ve çeşitli imalat sanayilerinde kullanılır. Yüksek taşıma kapasitesi ve standart ölçüleriyle projelerde pratik çözümler sunar.
Avantajları
- Yüksek yapısal dayanım
- Farklı ölçülerde üretim imkanı
- Kolay kaynak ve montaj
Kullanım Alanları
- Makine şasesi imalatı
- Endüstriyel raf sistemleri
- Yapısal destek elemanları
Uygulama Örnekleri
Makine şaselerinden inşaat projelerine kadar geniş bir kullanım alanına sahip U profil.
Çelik konstrüksiyon sistemlerinde destek ve bağlantı elemanı olarak görev yapan U profil.
Farklı et kalınlıkları ve ölçülerde üretilebilen, çok amaçlı standart U demir profil.
Teknik Detay
